Language
English English Russian
Position :
Extended tube ANSI Welded ball valve
Extended tube ANSI Welded ball valve
Extended tube ANSI Welded ball valve
Extended tube ANSI Welded ball valve

Extended tube ANSI Welded ball valve

Size Range: 1/2”-2”
Pressure: Class150-class2500
Body Materials: ASTM A105N & A350 LF2
Connection end: welding
Temperature: -29°C to 425°C
Design Standard: ASME B16.34
INTRODUCTION
DATA
Related
INQUIRY
INTRODUCTION
Yuming Valve Group's forged steel ball valves, utilising the unique characteristics of the forging process and its structural design, are widely used in industrial fluid control. Their core advantages can be categorised into performance stability, structural characteristics, and adaptability to various application scenarios, as follows:
1. Excellent Structural Strength and High-Pressure Resistance
2. Excellent Sealing Performance with Extremely Low Leakage
3. Wear and corrosion resistance, long service life
4. Convenient Operation, Low Flow Resistance Loss
5. Compact Structure, Suitable for Complex Installation Environments
6. Wide range of applicable media and strong adaptability to working conditions
7.The length of the connecting pipe can be customized according to customer needs
 
DATA
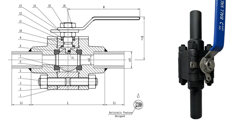
CLASS NPS d L L1 D H W
800LB 1/2" 13 92 100 21.3 56 130
3/4" 18 111 100 26.7 70 160
1" 24 127 100 33.4 80 220
1 1/2" 38 152 100 48.3 100 250
2" 49 178 100 60.3 110 290
 
 
NO PART MATERIAL
16 LEVER C. S+PVC
15 NUT A194 2H
14 LOCATOR CARD 1025+ZN
13 LOCATING PIN S. S
12 GLAND SS304
11 PACKING GRAPHITE
10 O-RING VITON
9 GASKET PTFE
8 STEM A182 F304
7 BALL A182 F304
6 SEAT RPTFE
5 GASKET SS304+GRAPHITE
4 BOLT A193 B7
3 NUT A194 2H
2 BONNET A105
1 BODY A105
Inquiry
If you would like to contact us for more information about our products ,please fill out the form below,thank you.
*Name
*E-mail
Phone
Country
Type
Size
Materials
Pressure
Medium
Temper
*Message
Quick consultation
Name:
Email:
Phone:
Type:
Size:
Message:
Copyright: 1972-2020 Yuming Valve Group Co,Ltd. All rights reserved.