Language
English English Russian
Position :
AP| 600 OS&Y Power station Gate Valve
AP| 600 OS&Y Power station Gate Valve
AP| 600 OS&Y Power station Gate Valve
AP| 600 OS&Y Power station Gate Valve

AP| 600 OS&Y Power station Gate Valve

Size Range 2”-30”(DN50-750)
Pressure ASME CLASS 150~2500
Body Materials Carbon steel, Stainless steel, Alloy steelDuplex stainless steel etc.
Connection end RF, BW, RTJ
Operation Manual, Pneumatic, Electric
Application Oil and gas, chemical industry, power, mining
INTRODUCTION
DATA
Related
INQUIRY
INTRODUCTION
Yuming API 600 OS&Y wedge gate valve: WCB/304/316 material, Class 150~2500, full bore, Stellite sealing surface, conforms to API 600/API 6D/ASME B16.34, suitable for mining, chemical, and oil and gas projects, supports manual/gear/electric actuators.

Application Scenarios
  • Oil & Gas: Wellheads, gathering and transmission pipelines, high-temperature and high-pressure circuits in refineries.
  • Chemical Industry: Isolation and shut-off of steam, hot oil, and acid/alkali media.
  • Power Industry: Long-term isolation of main steam and feedwater systems in boilers.
  • Mining: High-pressure, high-flow shut-off in tailings and wastewater treatment (wear-resistant metal seals).
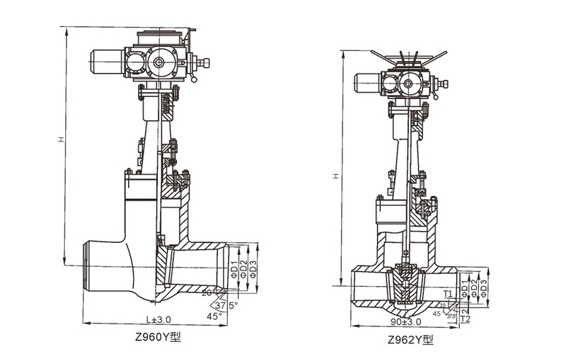
DATA
Z960Y-200 / Z962Y-200
DN(mm) L D1 D2 D3 T1 T2 H
80 406 74 89 114 15 13 564
100 483 97 115 144 16 15 580
125 559 122 142 177 18 16 625
150 635 146 168 212 20 17 1052
175 711 184 219 238 24 22 1101
200 788 194 219 277 24 22 1101
225 864 194 273 300 28 26 976
250 911 243 273 344 28 26 1078
275 1067 243 324 574 32 30 1182
300 1194 289 324 402 32 30 1240
350 1560 318 356 466 34 32 1364
Z960Y-250 / Z962Y-250
DN(mm) L D1 D2 D3 T1 T2 H
80 406 74 89 114 15 13 564
100 483 97 115 144 16 15 580
125 559 122 142 177 18 16 625
150 635 146 168 212 20 17 1052
175 711 184 219 238 24 22 1101
200 788 194 219 277 24 22 1101
225 864 194 273 300 28 26 976
250 911 243 273 344 28 26 1078
275 1067 243 324 574 32 30 1182
300 1194 289 324 402 32 30 1240
350 1560 318 356 466 34 32 1364
Z960Y-320 / Z962Y-320
DN(mm) L D1 D2 D3 T1 T2 H
80 458 67 89 121 20 19 940
100 533 92 115 160 20 19 1095
125 610 116 142 172 24 22 1325
175 762 140 219 244 35 31 1500
225 914 183 273 323 38 36 1518
250 1041 283 273 323 45 43 1536
275 1080 273 324 427 50 47 1763
Z960Y-P54100 / Z962Y-P54100
DN(mm) L D1 D2 D3 T1 T2 H
80 458 67 89 121 20 19 940
100 533 92 115 160 20 19 1095
125 610 116 142 172 24 22 1325
175 762 140 219 244 35 31 1500
225 914 183 273 323 38 36 1518
250 1041 283 273 323 45 43 1536
275 1080 273 324 427 50 47 1763
Z960Y-P54140 / Z962Y-P54140
DN(mm) L D1 D2 D3 T1 T2 H
80 458 67 89 121 20 19 940
100 533 92 115 160 20 19 1095
125 610 116 142 172 24 22 1325
175 762 140 219 244 35 31 1500
225 914 183 273 323 38 36 1518
250 1041 283 273 323 45 43 1536
275 1080 273 324 427 50 47 1763
Z960Y-P54170 / Z962Y-P54170
DN(mm) L D1 D2 D3 T1 T2 H
125 638 110 142 220 30 27 1477
175 950 132 219 276 35 31 1812
225 1060 173 273 351 42 39 1888
250 1160 216 324 428 42 39 2180
275 1245 258 324 488 50 48 2480
350 1560 284 356 564 65 61 3415
Inquiry
If you would like to contact us for more information about our products ,please fill out the form below,thank you.
*Name
*E-mail
Phone
Country
Type
Size
Materials
Pressure
Medium
Temper
*Message
Quick consultation
Name:
Email:
Phone:
Type:
Size:
Message:
Copyright: 1972-2020 Yuming Valve Group Co,Ltd. All rights reserved.